102-EI07626-01

产品特点
双保护更安全:内置温度保险丝 + 过电流断路器,过载、过热双重防护,适配高负载场景
宽压稳定输出:空载 / 负载性能一致
安装与绝缘可靠:标准化端子 + 精准尺寸,且耐压性能强悍,电气安全拉满。

执行标准
符合RoHS 指令要求。
产品所用塑料材质满足UL94 V-0 级阻燃标准。

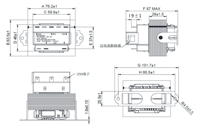
产品尺寸及外形图 Configuration & Dimensions  UNITmm

f9d546d1-6212-4124-8958-fc8fa60310b9.png


原理图  Schematic Diagram

image.png


电气参数 Electric Characters

image.png